idle adjuster whats years?
Re: idle adjuster whats years?
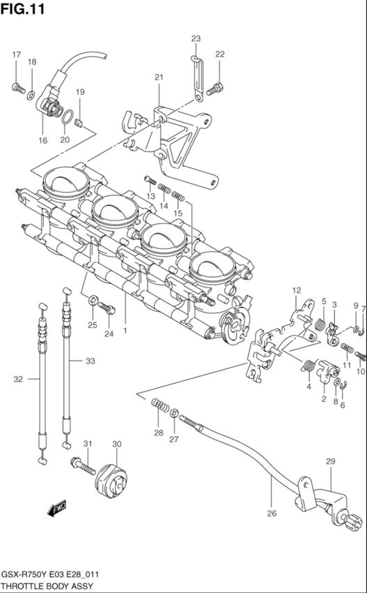
cost: approx. $42 usd
GSX-R750Y (year 2000!, yes this will fit all gixxers)
26. screw, stop
27. washer
28. spring
29. bracket, idle adjust
"screw, stop" is the nomenclature for the idle adjuster, alone this is about 35 bucks. the other components arent necessary, but good to have. the bracket keeps it from flopping around. and the spring and washer are for incase the stock idle screw happened to be a different length than this new one.
GSX-R750Y (year 2000!, yes this will fit all gixxers)
26. screw, stop
27. washer
28. spring
29. bracket, idle adjust
"screw, stop" is the nomenclature for the idle adjuster, alone this is about 35 bucks. the other components arent necessary, but good to have. the bracket keeps it from flopping around. and the spring and washer are for incase the stock idle screw happened to be a different length than this new one.
Last edited by Danger_Dave; Oct 1, 2007 at 09:30 AM.
Re: idle adjuster whats years?
cost: approx. $42 usd
GSX-R750Y (year 2000!, yes this will fit all gixxers)
26. screw, stop
27. washer
28. spring
29. bracket, idle adjust
"screw, stop" is the nomenclature for the idle adjuster, alone this is about 35 bucks. the other components arent necessary, but good to have. the bracket keeps it from flopping around. and the spring and washer are for incase the stock idle screw happened to be a different length than this new one.
GSX-R750Y (year 2000!, yes this will fit all gixxers)
26. screw, stop
27. washer
28. spring
29. bracket, idle adjust
"screw, stop" is the nomenclature for the idle adjuster, alone this is about 35 bucks. the other components arent necessary, but good to have. the bracket keeps it from flopping around. and the spring and washer are for incase the stock idle screw happened to be a different length than this new one.
****... I took the Adjuster off of an old 93 Katana I had on the side of my house that works perfect..It was free and I do believe that any Suzuki Adjuster will work..
Re: idle adjuster whats years?
the dangling one is stock and you dont wanna use that one as an adjustable caus its fragile and you cant crank it up much anyway.... you do exactly as done on the link above done to a 954.... its self explanitory just replaces the screw used as a stop for the butterflies... when you srew it in, it pushed the plate connected to the butterflies thus opening the throttle and raising the idle
i dont know how suckzuki's throttlebodies are setup but on a honda there are 3 screws in the middles of the tb's close to the cables. u can replace either of the outside screws with a 900rr cable but DONT mess w/ the middle one!
i dont know how suckzuki's throttlebodies are setup but on a honda there are 3 screws in the middles of the tb's close to the cables. u can replace either of the outside screws with a 900rr cable but DONT mess w/ the middle one!
Thread
Thread Starter
Forum
Replies
Last Post
kntmare181
Bikes for Sale
3
Feb 14, 2013 01:00 AM
BlackMarketBike
Bikes for Sale
0
Nov 3, 2012 04:04 PM










